Computer Architecture/논리회로
[10] CH8 순차논리회로 < 래치(Latch) >
Return
2022. 1. 6. 21:46
< 조합회로와 순차회로의 차이 >
조합 회로(Combinational Logic)
- 값을 저장하지 못함
- 클럭을 사용하지 않음
- 입력의 변화가 출력에 바로 반영됨
- 예) 가산기,(디)멀티플렉서,디코더,인코더 etc
순차회로(Sequential Logic)
- 값을 저장하는 래치,플립플롭,레지스터(플립플롭의 모임),메모리 등의 소자가 있어 현재상태를 저장
- 클럭을 사용하여 값을 저장
- 입력이 변화해도 주로 클럭의 에지에서 값이 저장된다.
- 예) 카운터,레지스터,클럭 분배기,FSM etc

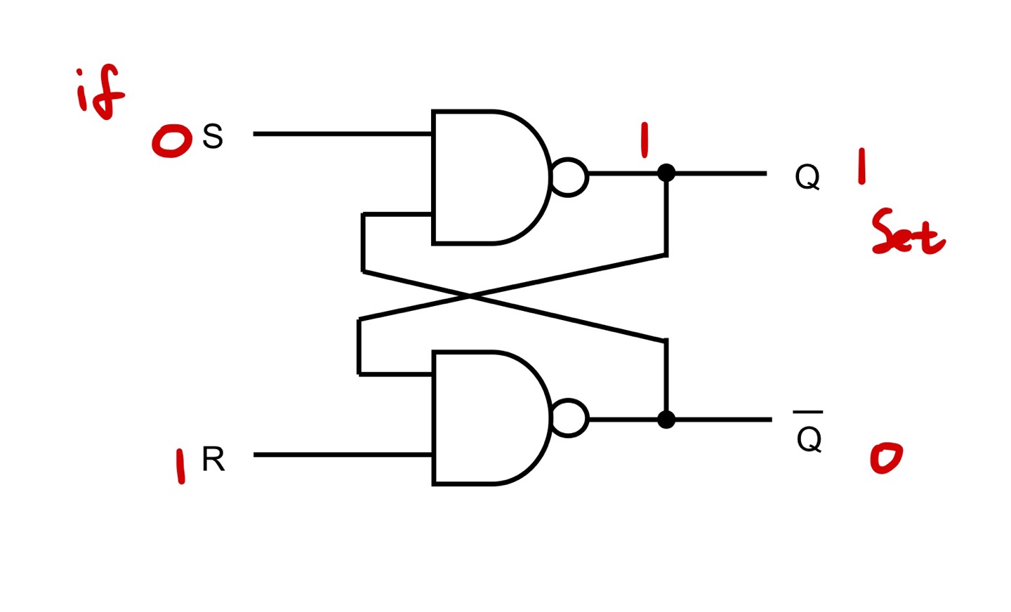
< SR(Set Reset) Latch >
- Set : S신호가 0일 때 Q값은 1
- Reset : R신호가 0일 때 Q값은 0
- S,R신호는 0일때 활성화되는 active low신호입니다.

< SR Latch의 진리표 >

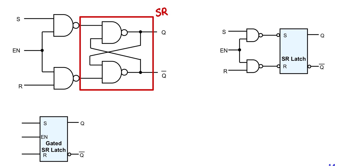
< Gated SR Latch >
- Enable(EN)신호가 있는 SR Latch
- SR Latch에 EN신호를 추가한 Latch
- active high신호

< Gated SR Latch의 진리표 >

< D Latch >
- Gated SR Latch의 입력을 묶어서 허용되지 않는 값이 없도록 만든 latch
- 일반적으로 가장 많이 사용되는 Latch입니다.

< D Latch의 진리표 >

< Cross-coupled inverter >
- bi-state(2가지 상태)회로로 2가지의 값을 안정적으로 저장할 수 있습니다.
- SR Latch도 cross-coupled inverter를 기본으로 하고 있습니다.
< D Latch의 동작 >
- EN:1일때 입력을 받아드린다.
- EN:0일때 입력이 끊어지고 값을 현재상태를 저장한다.(유지한다.)
