Computer Architecture/논리회로
[15] CH8 순차논리회로 < 카운터 FSM 설계-3 >
Return
2022. 1. 9. 15:27
< 클럭 분주기의 개념 >
- 주파수를 나누는 블록
- 예를들어, 100MHz/2 = 50MHz로 클럭이 느려짐
- 반대로 주기는 늘어남 1/100MHz =10ns, 1/50MHz =20ㅜㄴ
- 디지털 회로로 쉽게 만들 수 있음
< 클럭 2분주기 >
- 매 클럭 에지마다 값을 바꾸기 때문에 입력 클럭을 2분주한 클럭을 발생

< 클럭 8분주기 >
- 00>01>10>11로 변하는 카운터가 11이 되었을 때만 last=1
- last =1일 경우에만 clkout이 반전된다.


< 클럭 10분주기 >
- 000>001> -- > 100>000로 변하는 카운터
- 100이 되었을 때만 last=1이고 다음 클럭에서 clkout반전됨





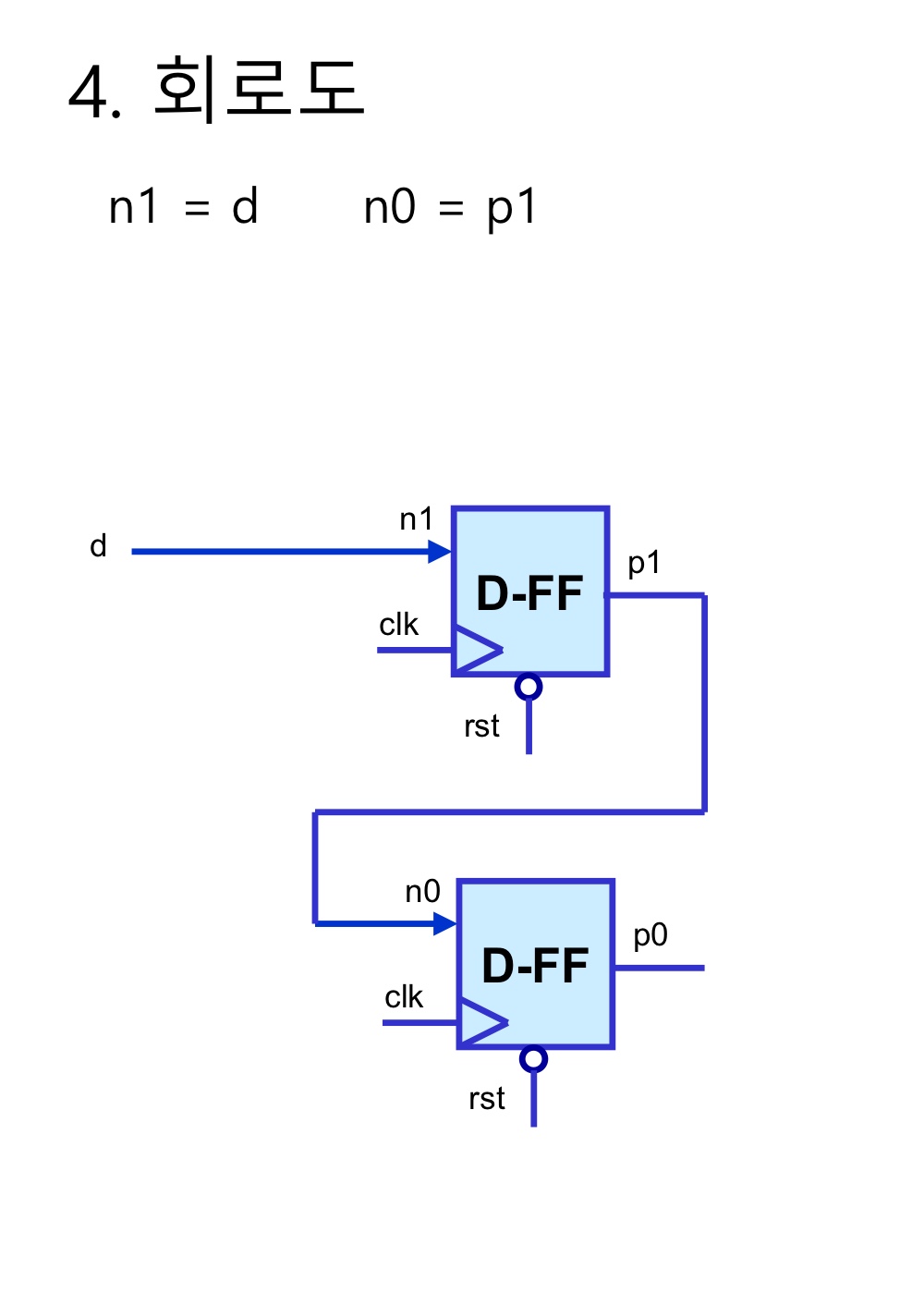
< FSM으로 만드는 시프트 레지스터 >
- 2비트 오른쪽 shift register
- 매 클럭마다 입력 d가 입력될 때마다 오른쪽으로 시프트





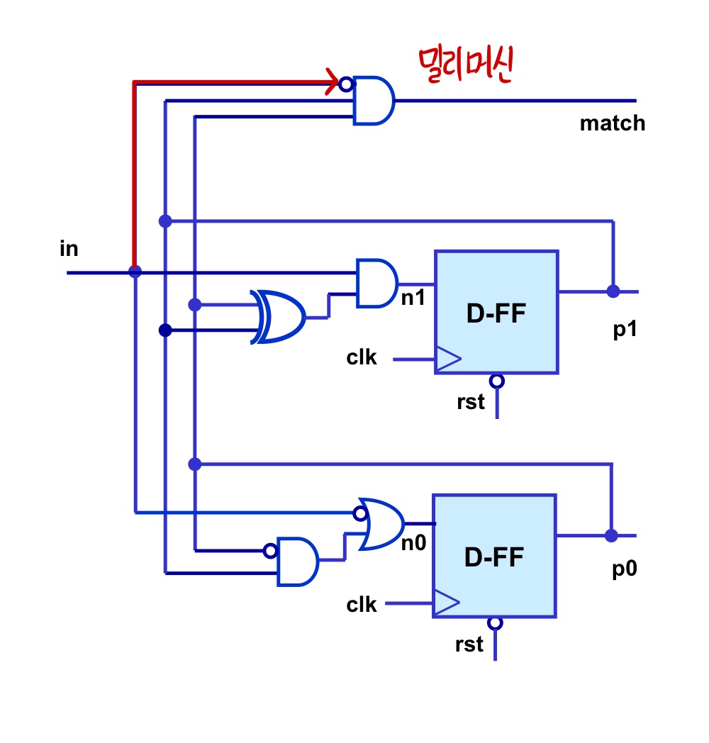
< FSM으로 만드는 number detector >
- 매 클럭마다 입력 in이 1비트씩 입력
- 일련의 숫자가 0110이 될때마다 출력 match신호는 1이 된다.





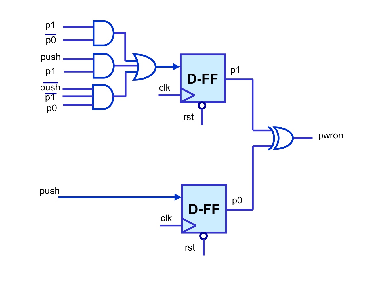
< 누름 전원 스위치 예제 >
- 같은 버튼으로 on또는 off할 수 있는 스위치
- 사람은 잠깐 누르지만 여러 번 누른것으로 인식되어 오동작을 할 수 있다.
- 이를 방지하기 위해 스위치를 누르 동작 뿐 아니라 때는 동작도 감지해야 된다.
- 입력 : push : 전원 스위치가 눌려 있는 경우 1
- 출력 : pwron : 동작 중일 경우 1



