< 레지스터의 종류 >




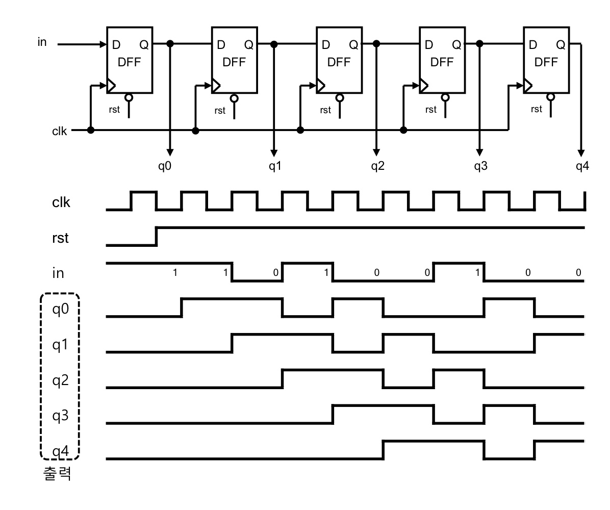
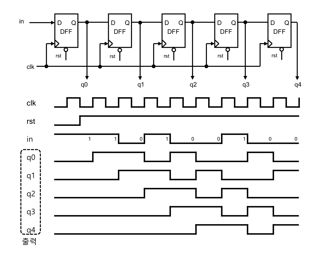
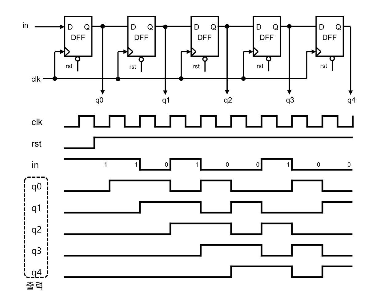
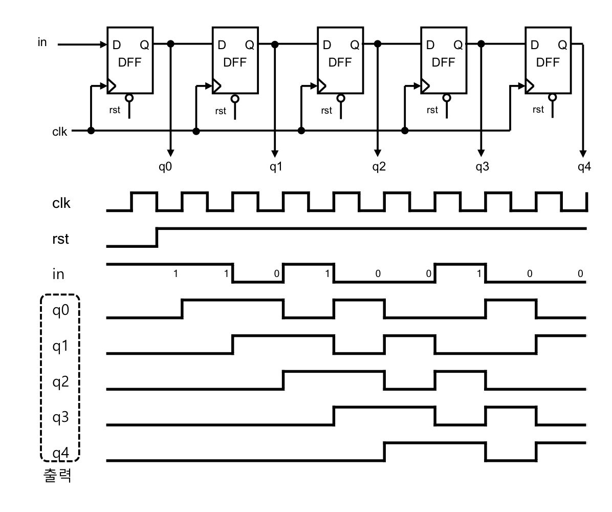
< 오른쪽 시프트 레지스터 >
- Clock의 rising edge마다 오른쪽으로 하나씩 시프트


< 5bit 시프트 레지스터(Parallel out) >
- Serial out과 Parallel out의 차이는 출력이 무엇인지만 차이가 있다.

< Multiplexer 리뷰 >
- MUX는 게이트 조합 등으로 만들 수 있으며 기호로 쉽게 오른쪽과 같이 표시한다.


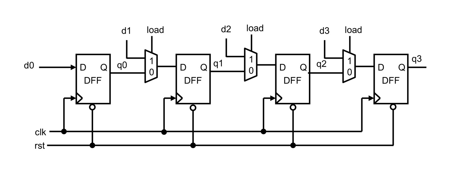
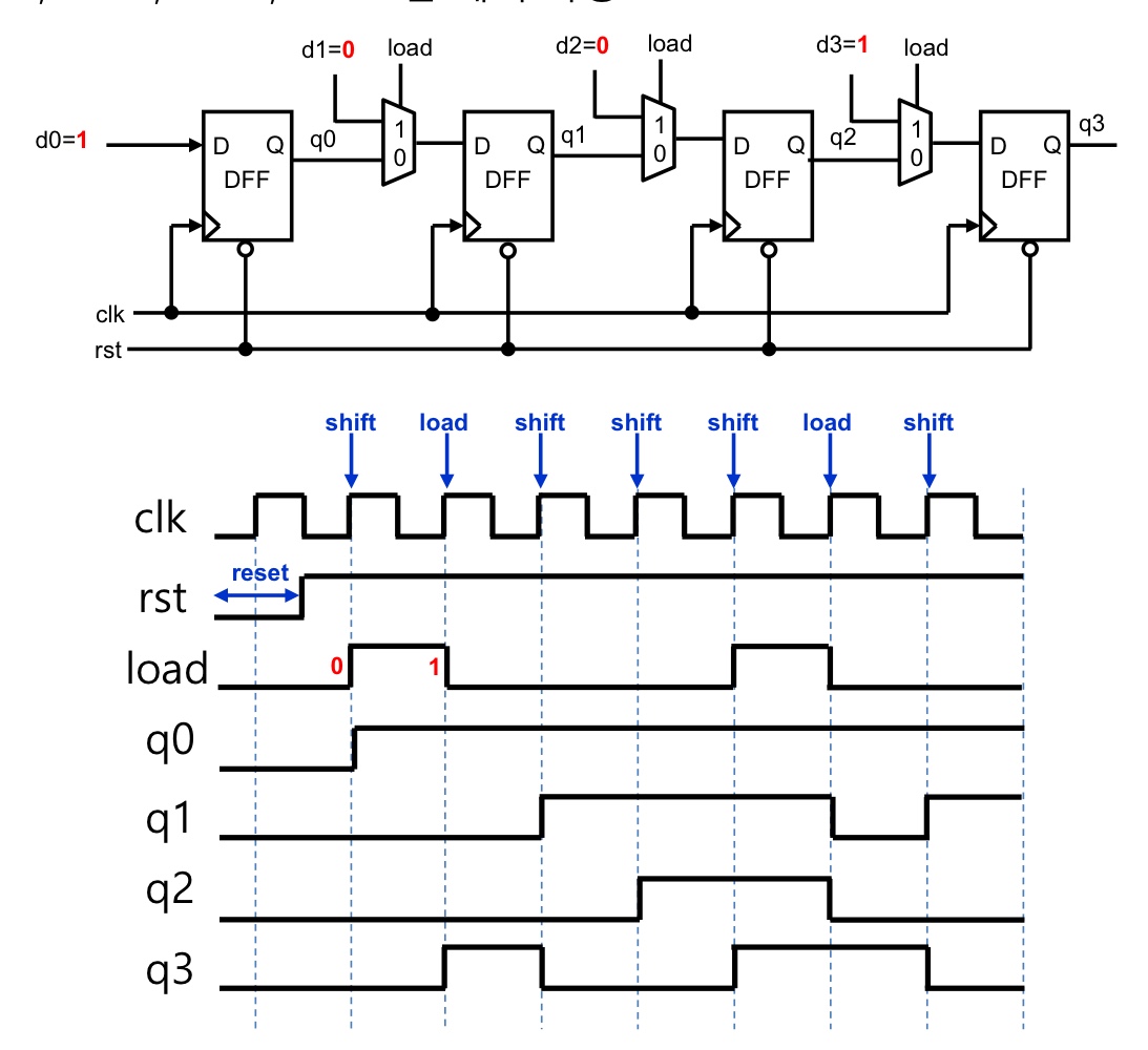
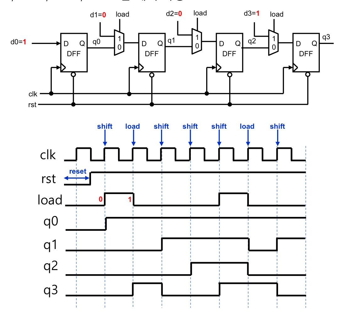
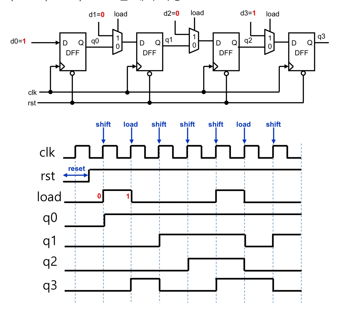
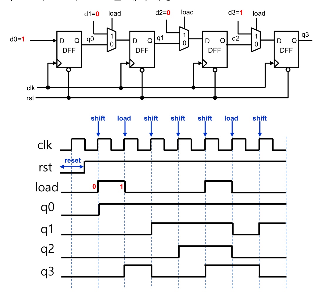
< Parallel-in serial-out shift register >
- load=1일때 d0->q1, d1->q1, d2->q2, d3->q3로 로드
- load=0 일때 d0->q0. q0->q1, q1->q2, q2->q3로 시프트

d0=1, d1=0, d2=0, d3=1 일때의 파형

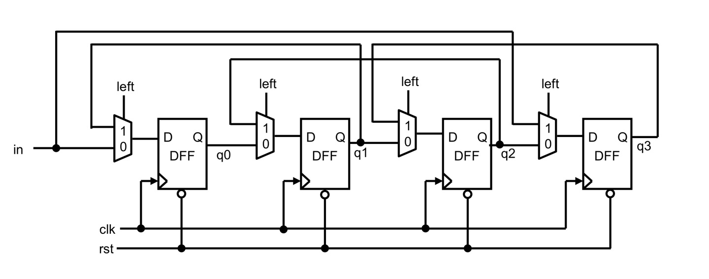
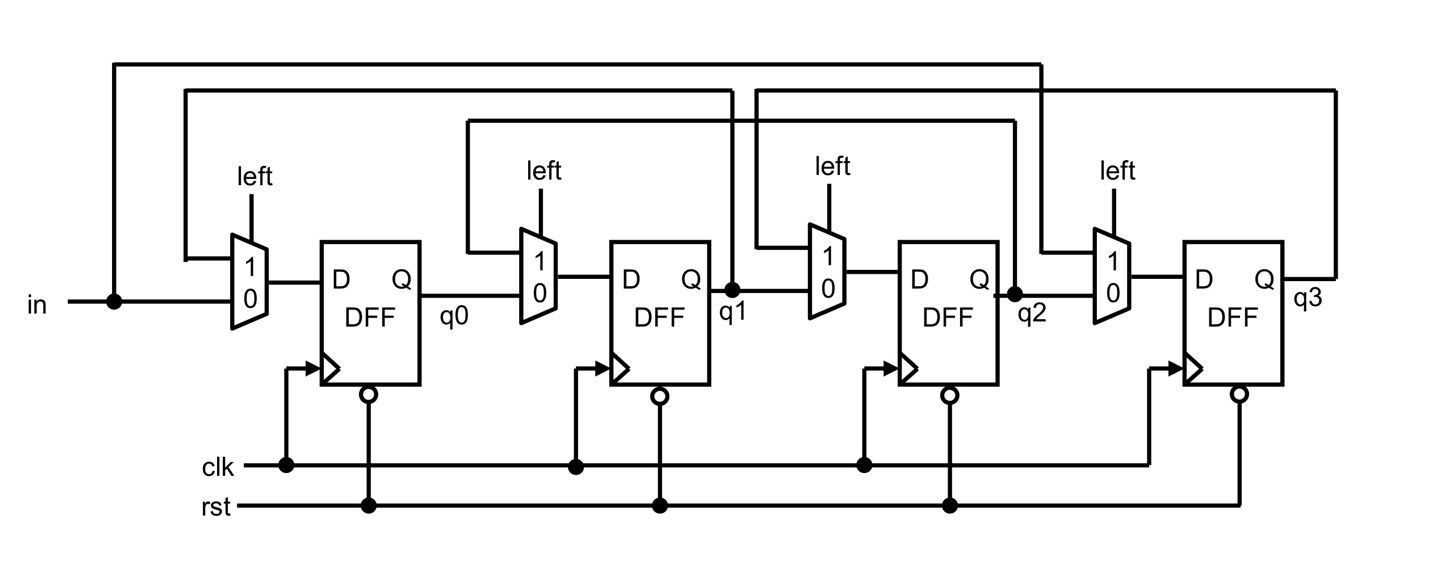
< Bidirectional shift register >
- left=1일때, in->q3, q3->q2, q2->q1, q1->q0와 같이 왼쪽 시프트
- left=0일때, in->q0, q0->q1, q1->q2, q2->q3와 같이 오른쪽 시프트


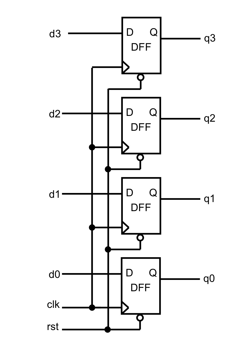
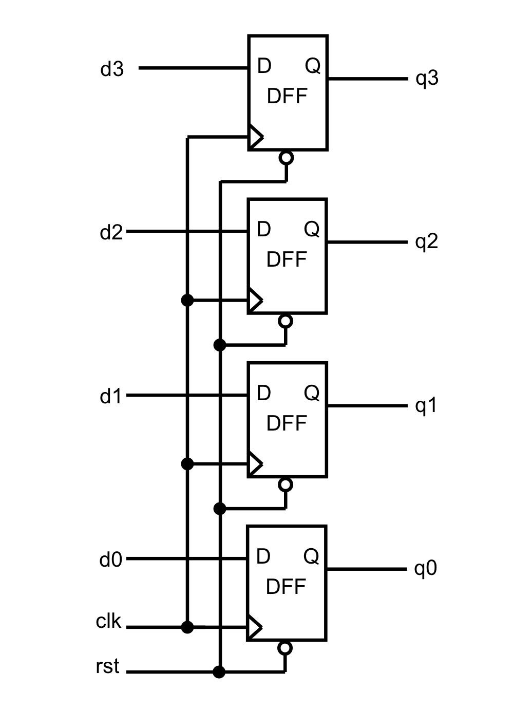
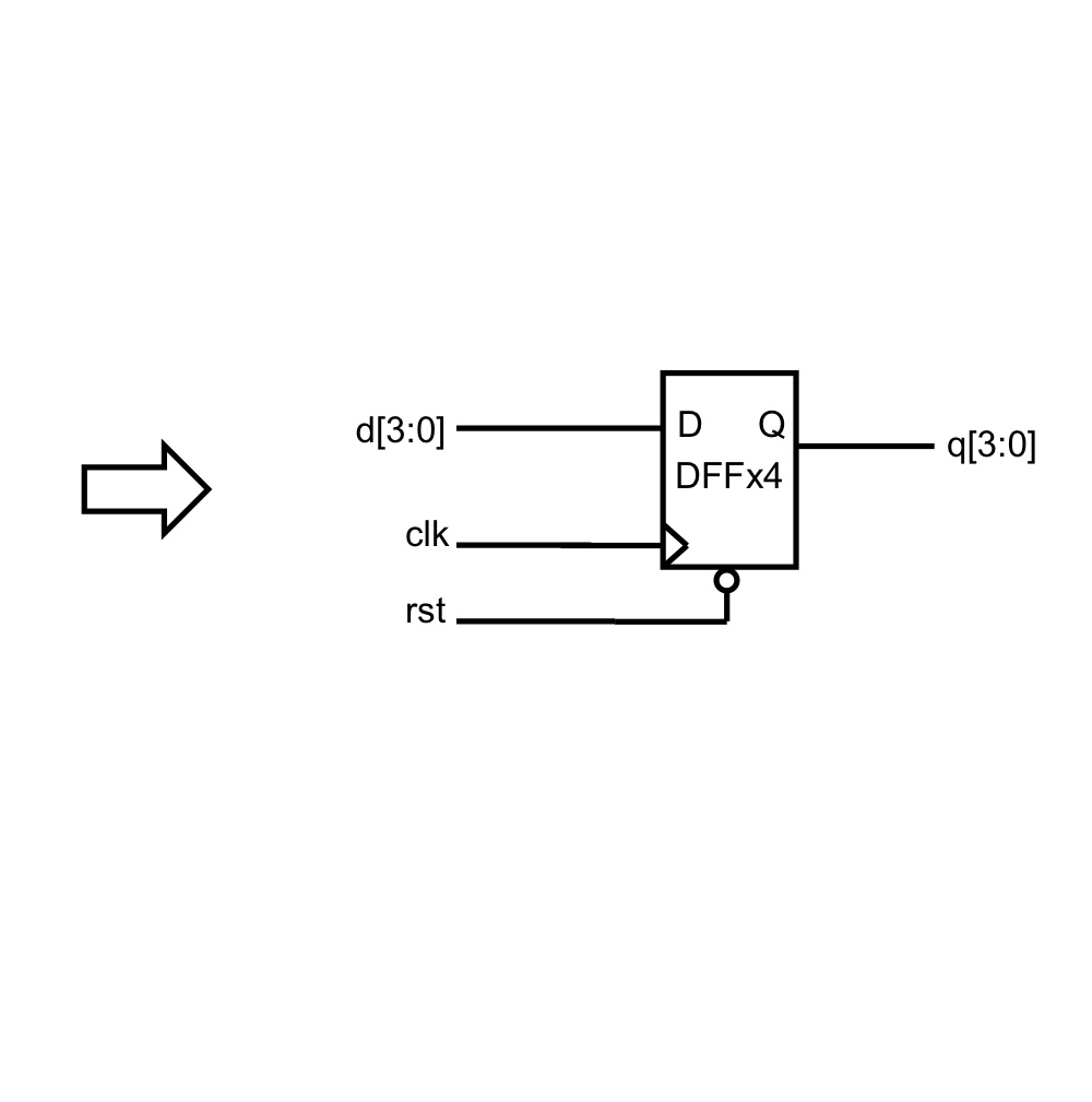
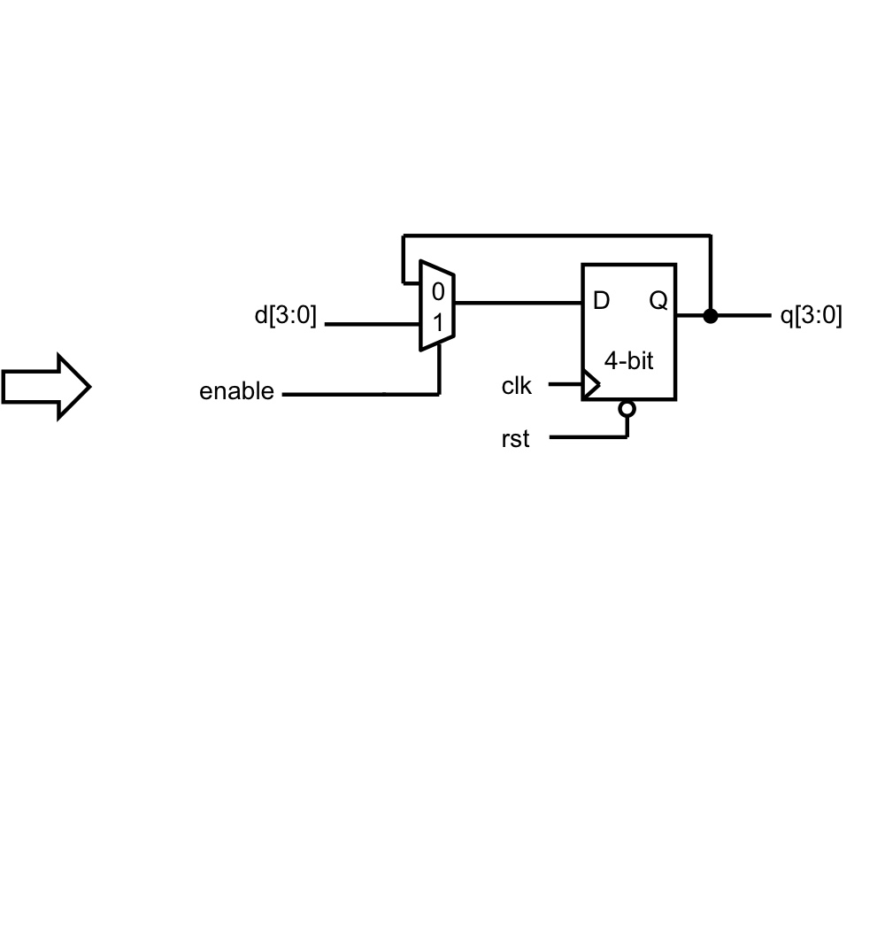
< Parallel register >
- 가장 많이 사용하는 일반적인 레지스터


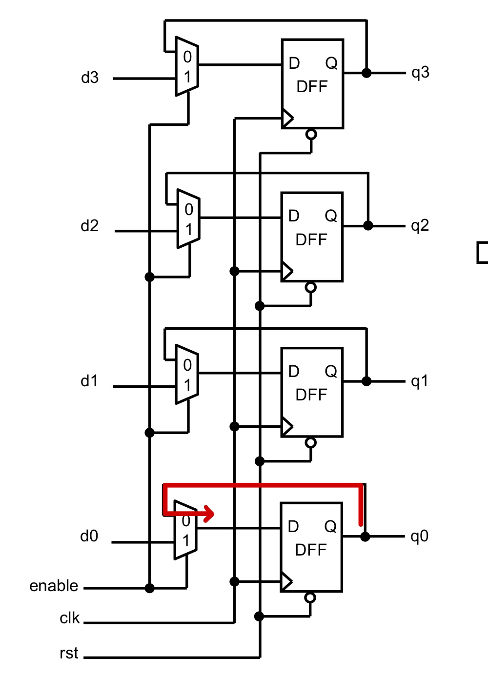
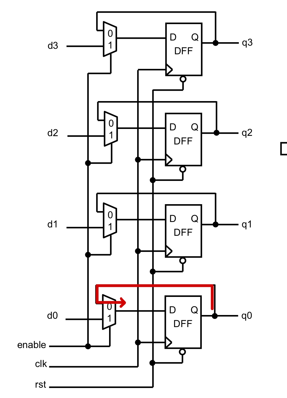
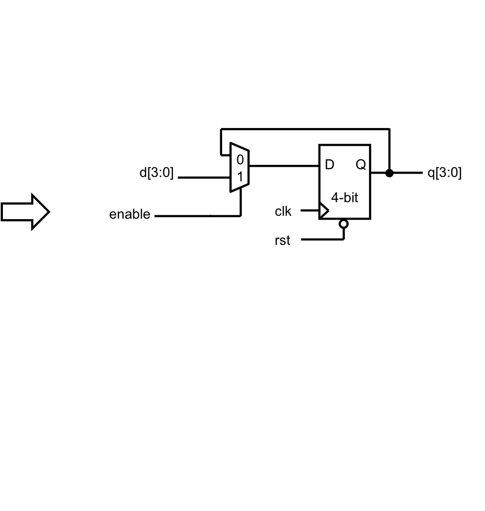
< Register with enable signal >
- enable=1 일때, d0,d1,d2,d3가 q0,q1,q2,q3로 입력됨(값이 입력됨)
- enable=0 일떼, q0,q1,q2,q3가 q0,q1,q2,q3로 입력됨(값을 유지함)


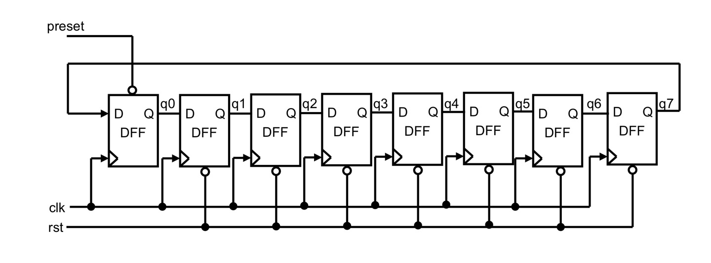
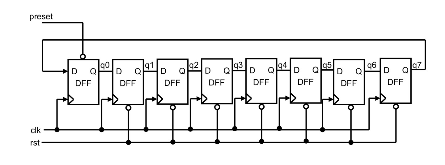
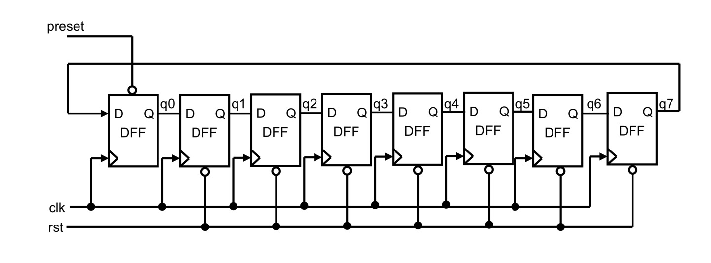
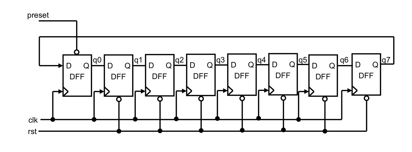
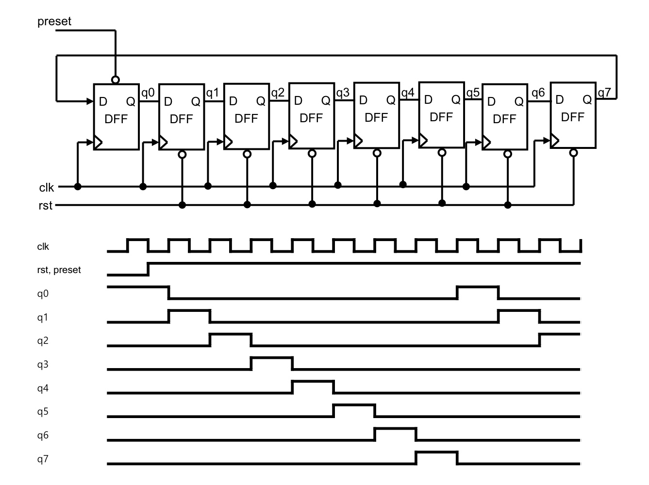
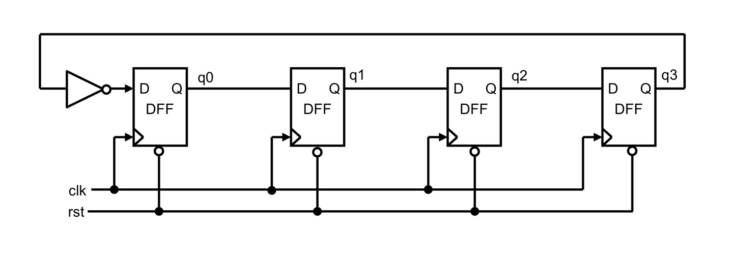
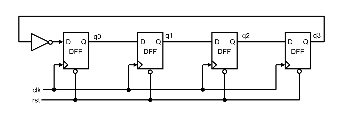
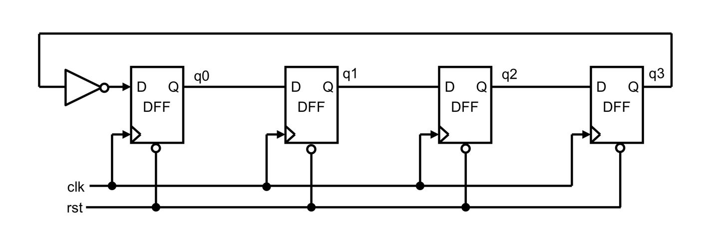
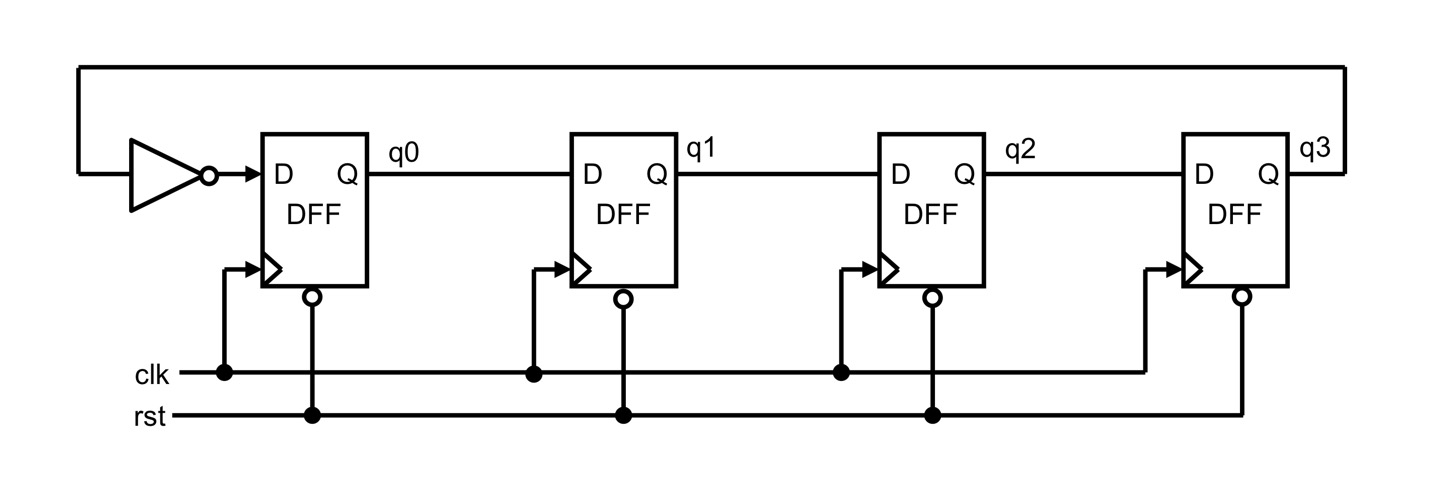
<시프트 레지스터 카운터 >
Ring counter
- 매 클럭 마다 q0~q7신호를 차례대로 active 시킴
- N개의 출력을 위해서 N개의 F/F이 필요
- Reset과 Preset을 모두 사용해야 함



< Johnson counter >



- 한클럭에 한 비트만 변하기 때문에 비동기 값의 sampling시에 유리하다.
- 모두 reset만ㅇ르 사용.
- N개의 출력을 위해서 N/2개의 F/F이 필요하다.

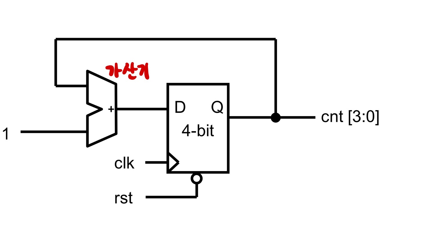
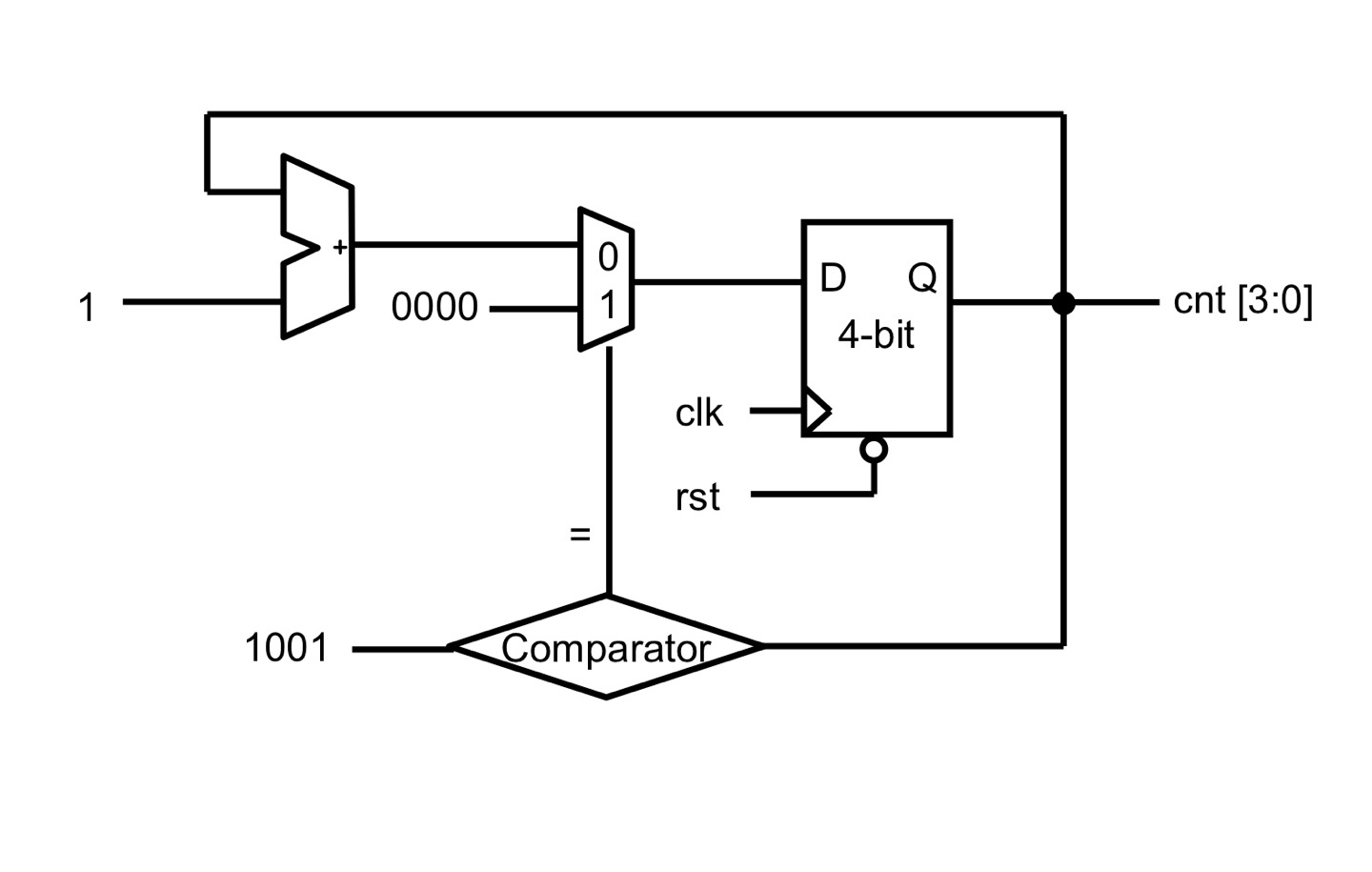
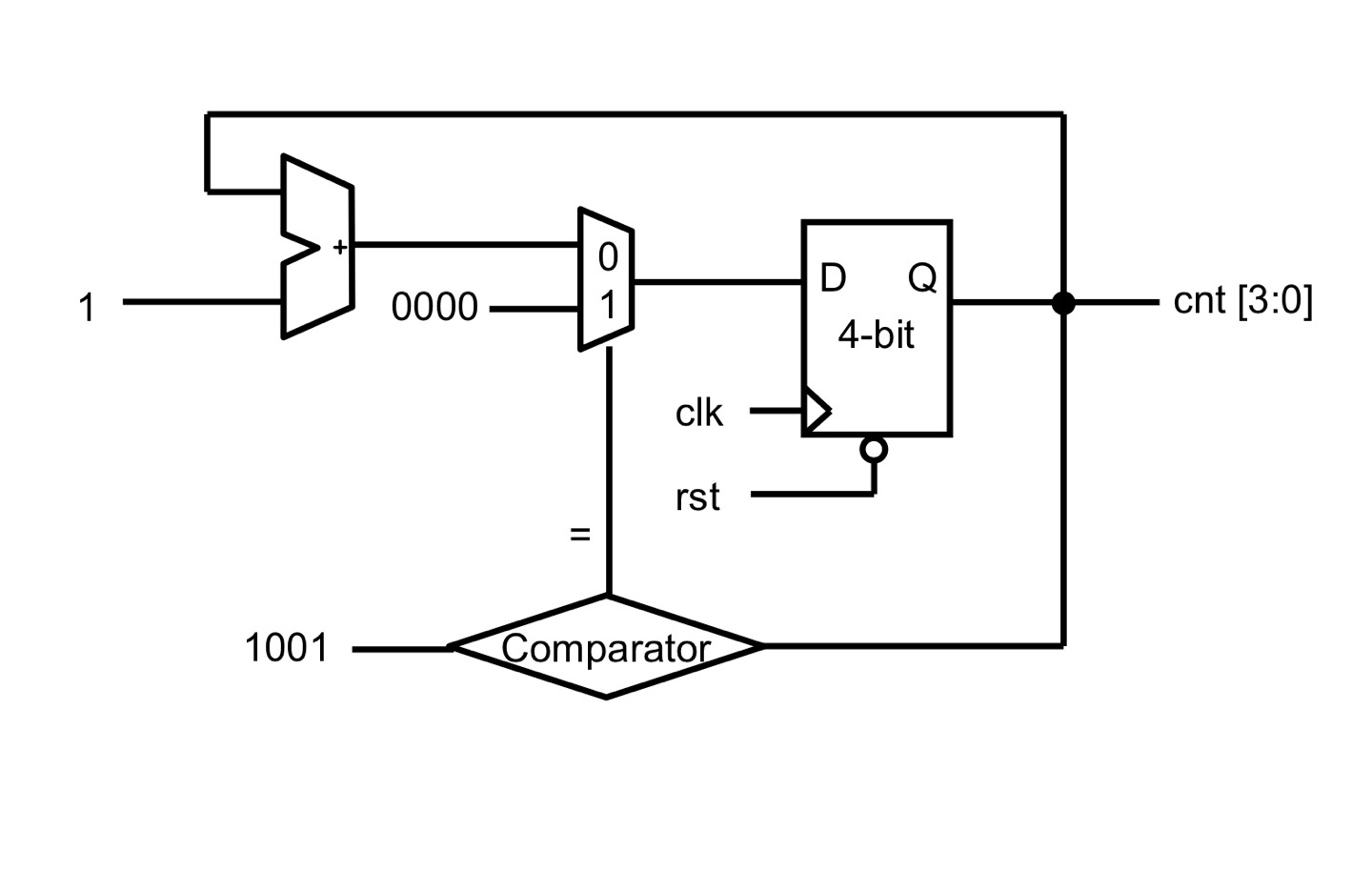
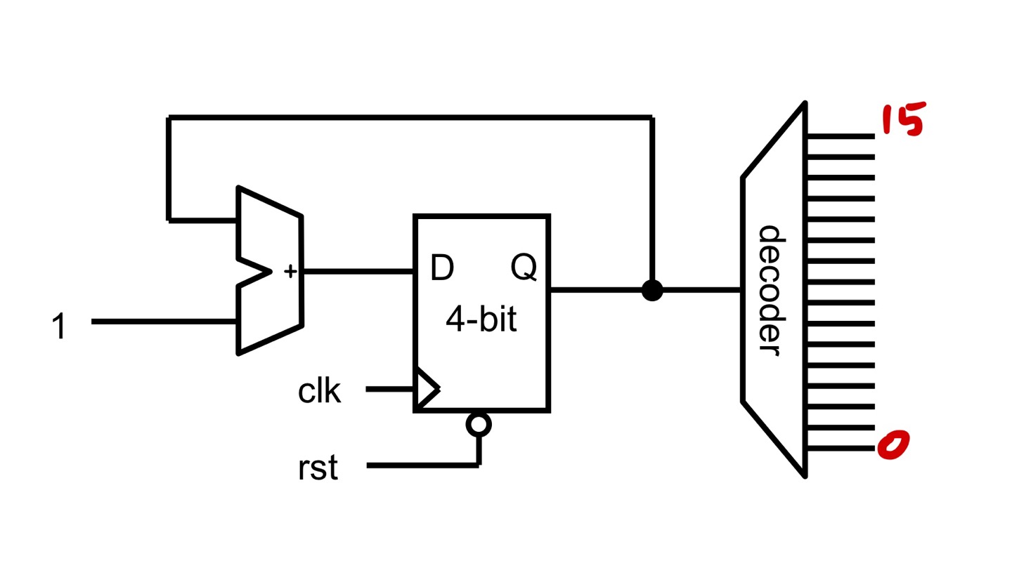
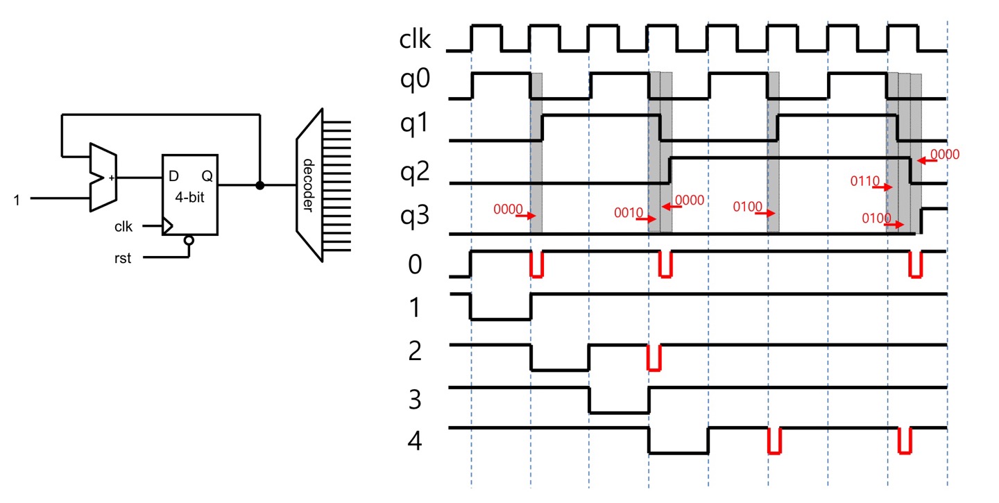
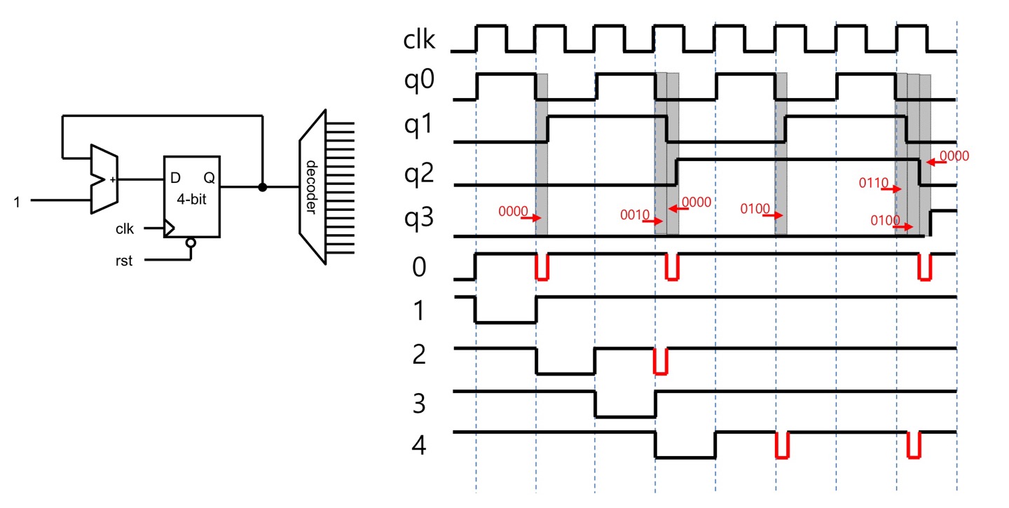
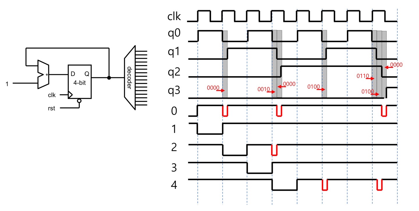
< 덧셈기와 레지스터로 만드는 카운터 >
- 매 클럭마다 1을 더하여 저장한다.
- 0000>0001 >> 1111>0000순서로 카운트

- cnt와 1001을 비교하여 같으면 0000으로 초기화
- cnt와 1001을 비교하여 같지 않으면 1만큼 증가

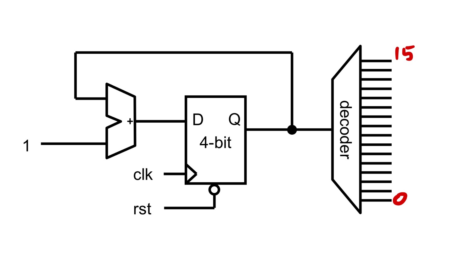
< 카운터 + 디코더 >
- N개의 출력을 위해서 Log2(N)개의 F/F이 필요
- Johnson counter의 경우 16개의 출력을 위해서는 8개의 F/F가 필요하다.
- Ring counter의 경우 16개의 출력을 위해서 16개의 F/F이 필요하다.
- 출력의 개수가 많을 경우에는 덧셈기와 디코더가 복잡해지므로 Johnson couter나 Ring counter가 유리하다.

< 글리치 >
- 글리치는 일종의 spike와 같은 것으로 잠시 출력값이 변화하는 것을 말함
- 각 플립플롭에 도달하는 클럭 신호의 시간 차이에 의하여도 발생하며
- 각 게이트에 도달하는 신호들의 시간 차이에 의해서도 발생한다.
- 동기회로인 경우 대부분은 동작에 영향을 미치지는 않는다.
- 하지만 전련소모에도 많은 영향을 미친다.

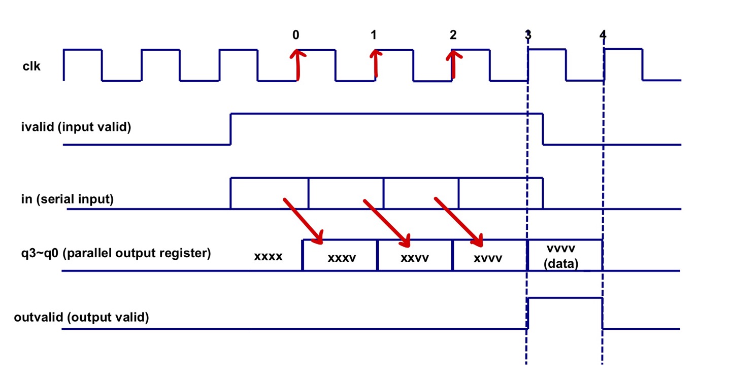
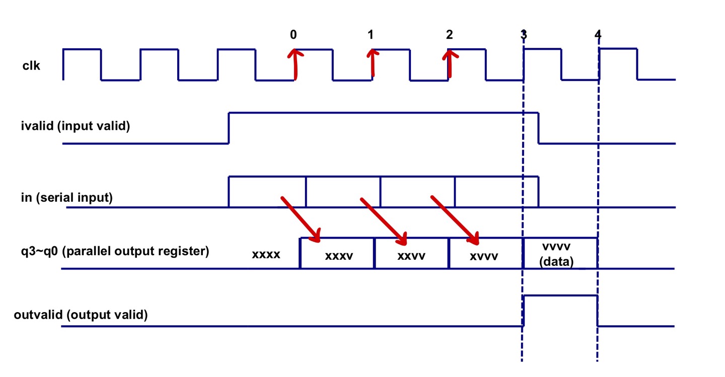
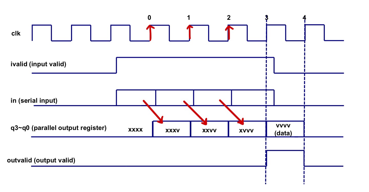
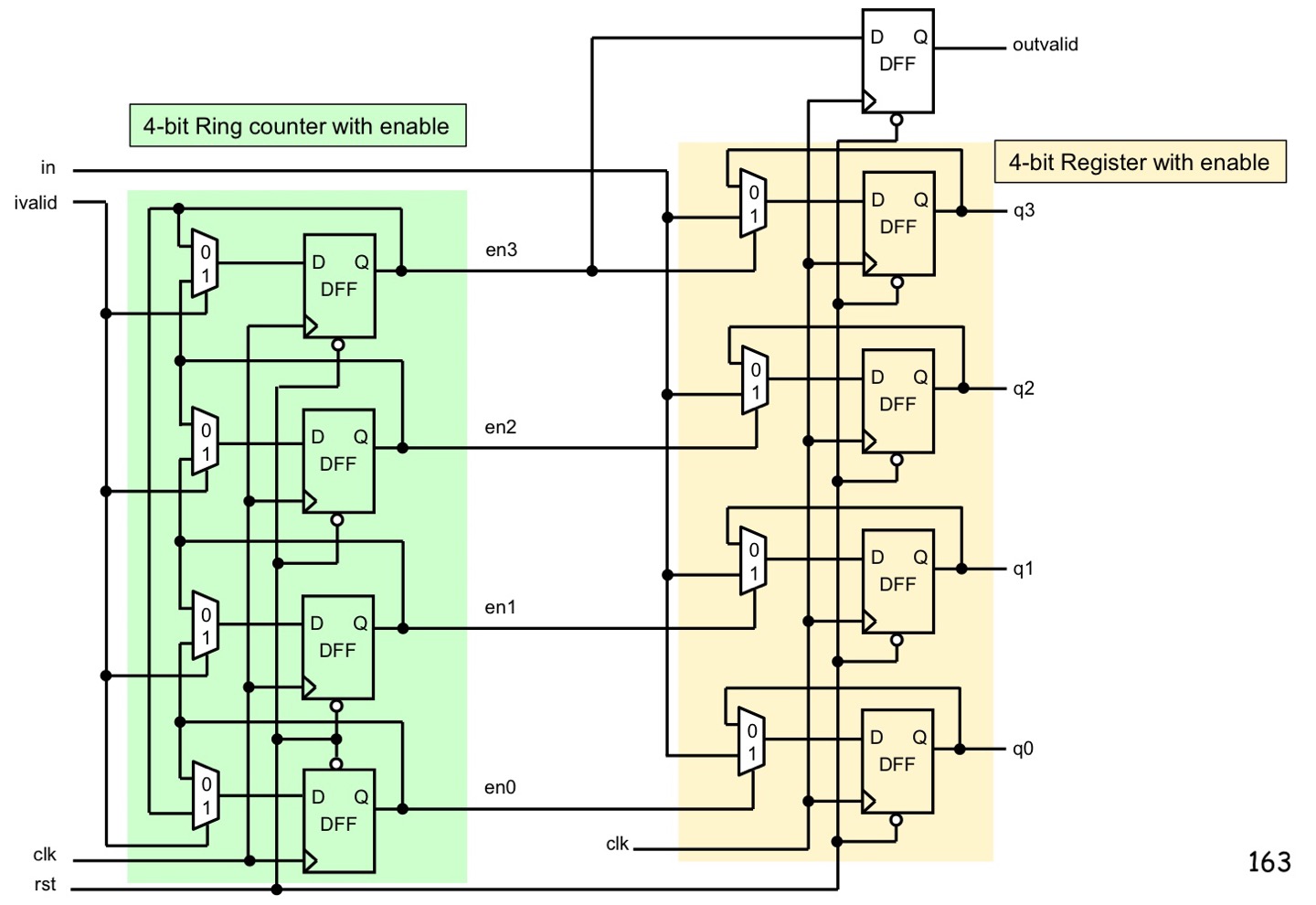
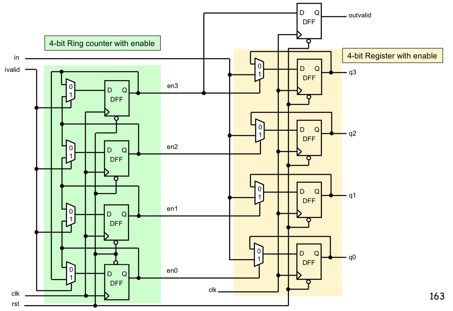
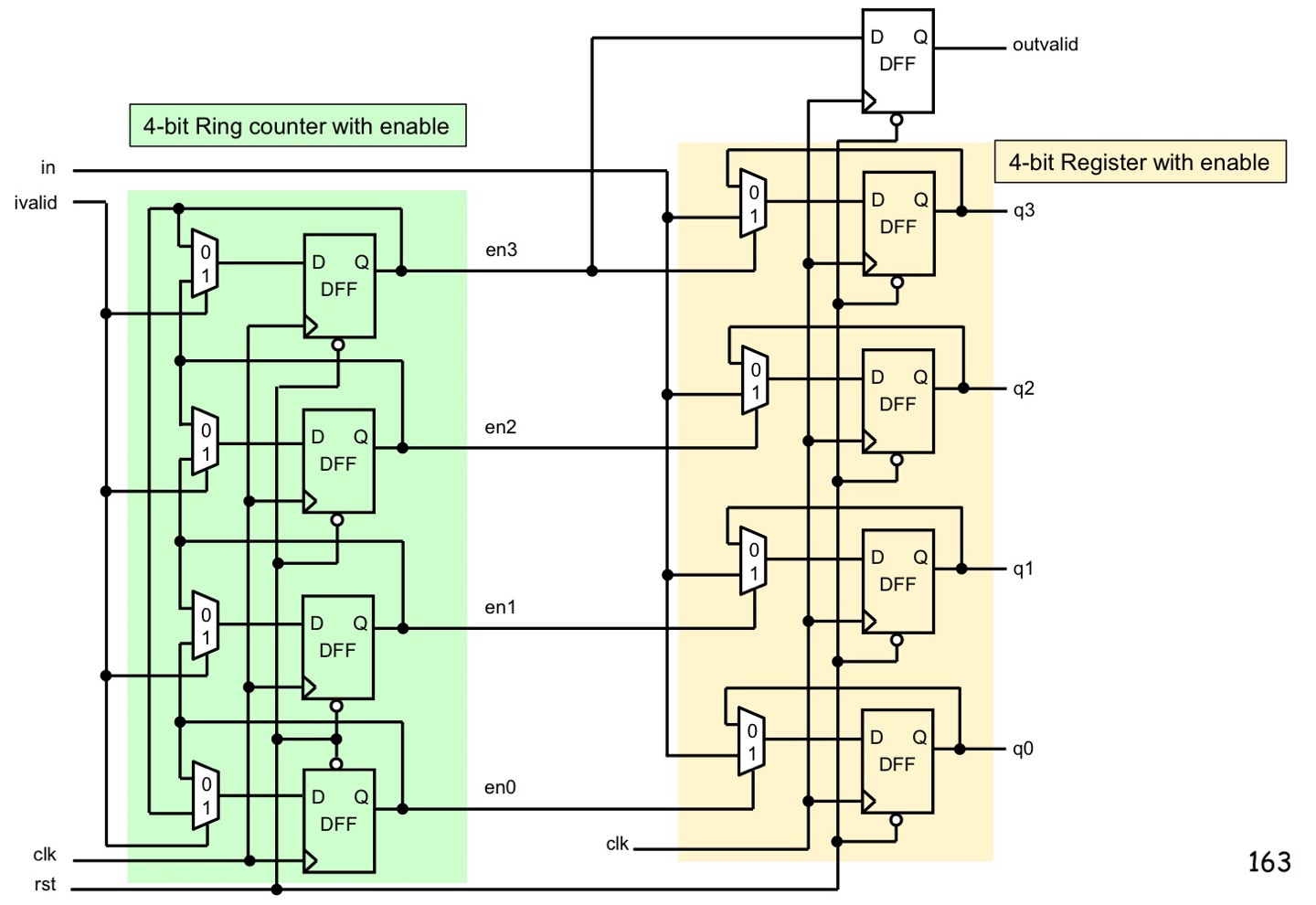
< Serial to Parallel data converter >
- Serial data는 invalid 신호가 1일 때 유효한 값으로 입력되며 이 모듈에선느 serial data4비트를 모아서 parallel data로 변환한다.
- 입력된 serial data는 clk의 rising edge에서 invalid 신호가 1일때만 q3~q0에 저장한다.
- Serial data는 LSB부터 입력되므로 q0,q1,q2,q3 순서로 차례대로 저장된다.
- invalid신호가 1인 edge에서 값이 변화하도록 링카운터를 설계하고 en0~en3으로 디코드 한다.
- outvalid신호는 F/F를 사용하고 invalid가 1이고 카운터 값이 1000인 clk edge에서 1이 된다.


'Computer Architecture > 논리회로' 카테고리의 다른 글
| [16] CH8 순차논리회로 < FSM+Counter 응용 설계 > (0) | 2022.01.09 |
|---|---|
| [15] CH8 순차논리회로 < 카운터 FSM 설계-3 > (0) | 2022.01.09 |
| [14] CH8 순차논리회로 < 카운터 FSM 설계-2 > (0) | 2022.01.09 |
| [13] CH8 순차논리회로 < 카운터 FSM 설계 > (0) | 2022.01.09 |
| [12] CH8 순차논리회로 < 비동기-동기 카운터, FSM > (0) | 2022.01.09 |
포스팅이 좋았다면 "좋아요❤️" 또는 "구독👍🏻" 해주세요!