[14] CH8 순차논리회로 < 카운터 FSM 설계-2 >Computer Architecture/논리회로2022. 1. 9. 15:02
Table of Contents
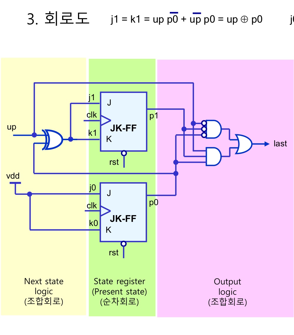
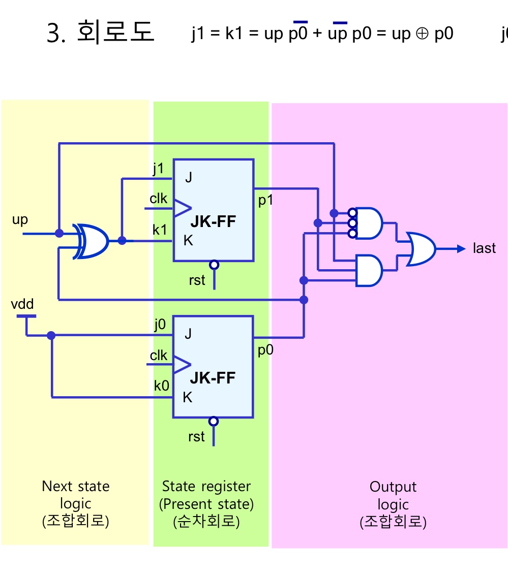
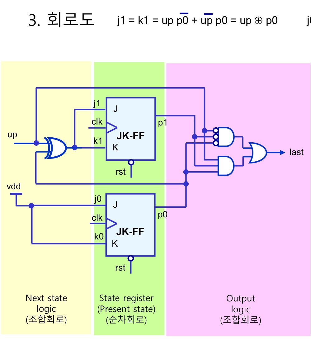
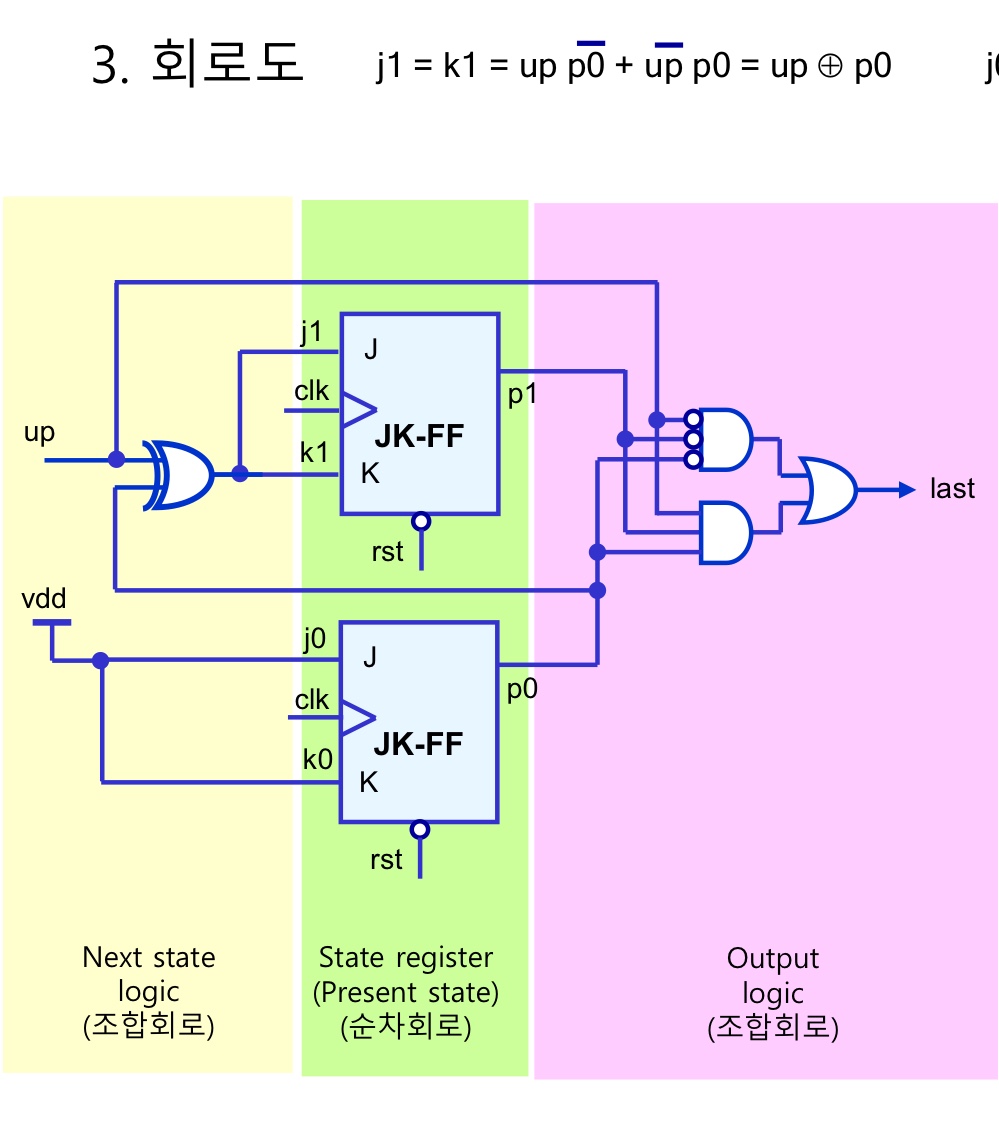
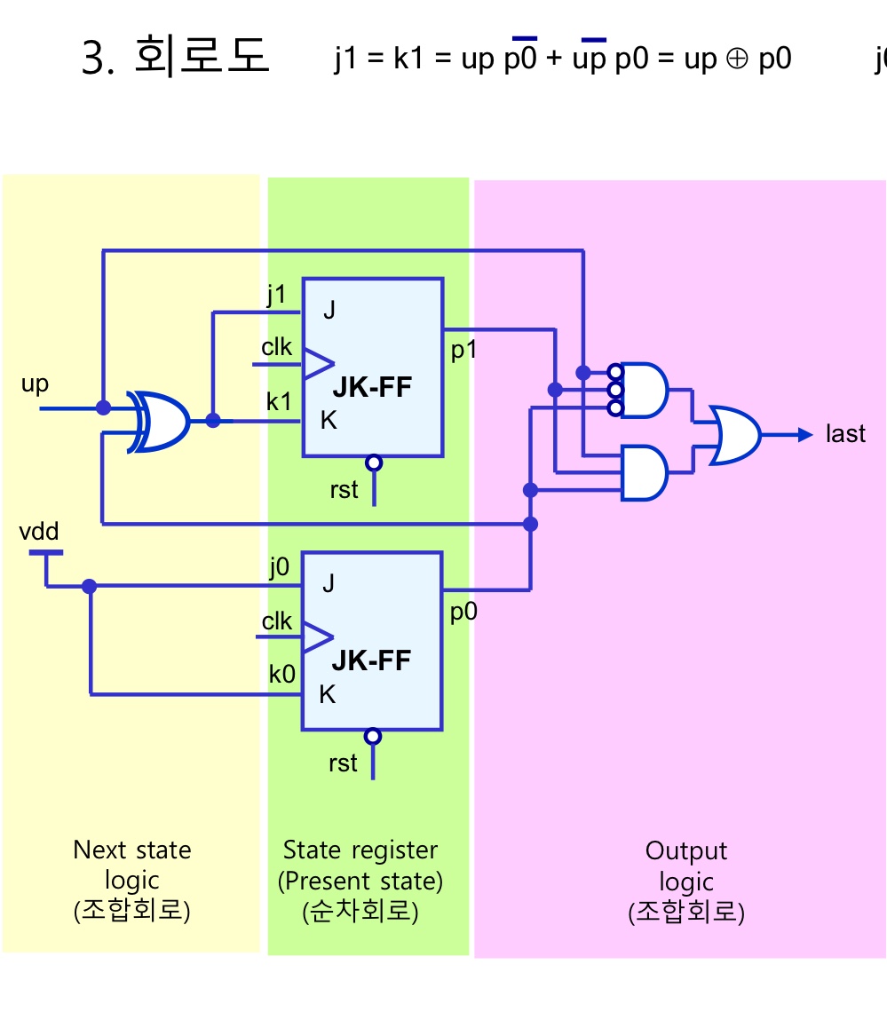
< 2비트 up/down 카운터의 설계 >
- 입력 up=1일때 00 > 01 >10 >11 > 00
- 입력 up=0일때 11 > 10 > 01 > 00 > 11
- 카운터가 11이고 up=1이거나, 카운터가 00이고 up =0일때 last =1





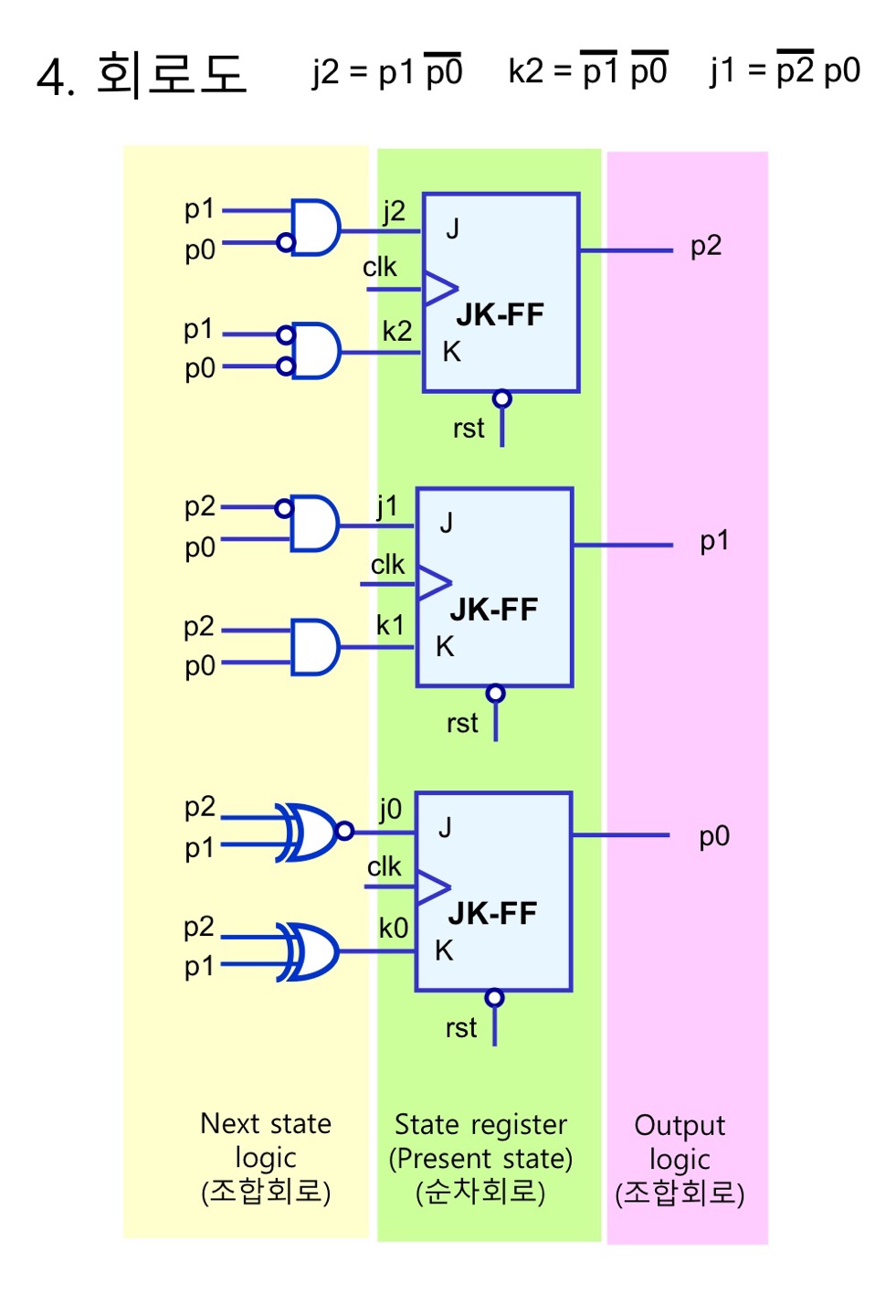
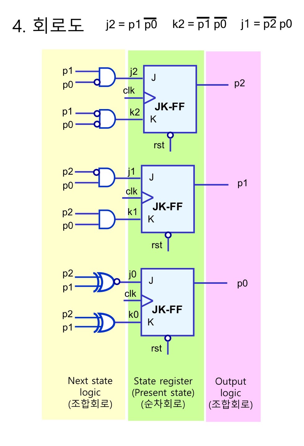
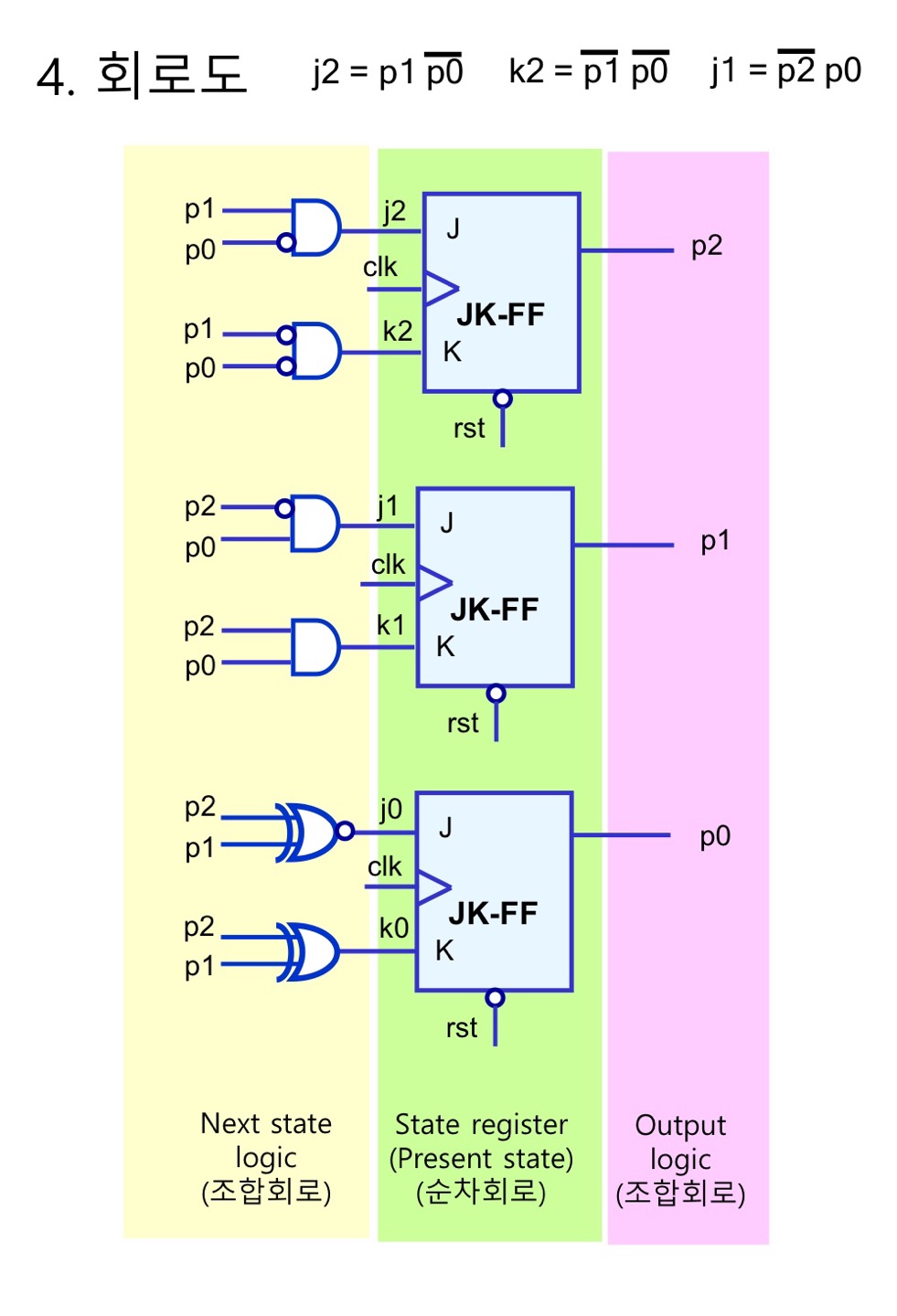
< 3비트 Gray 카운터의 설계 >




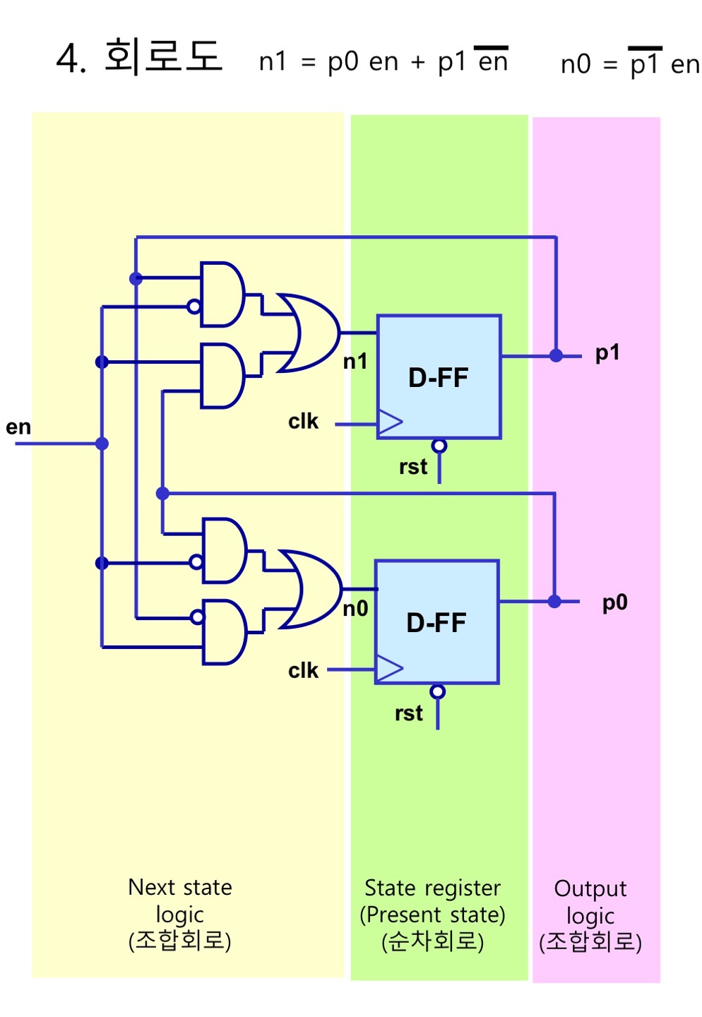
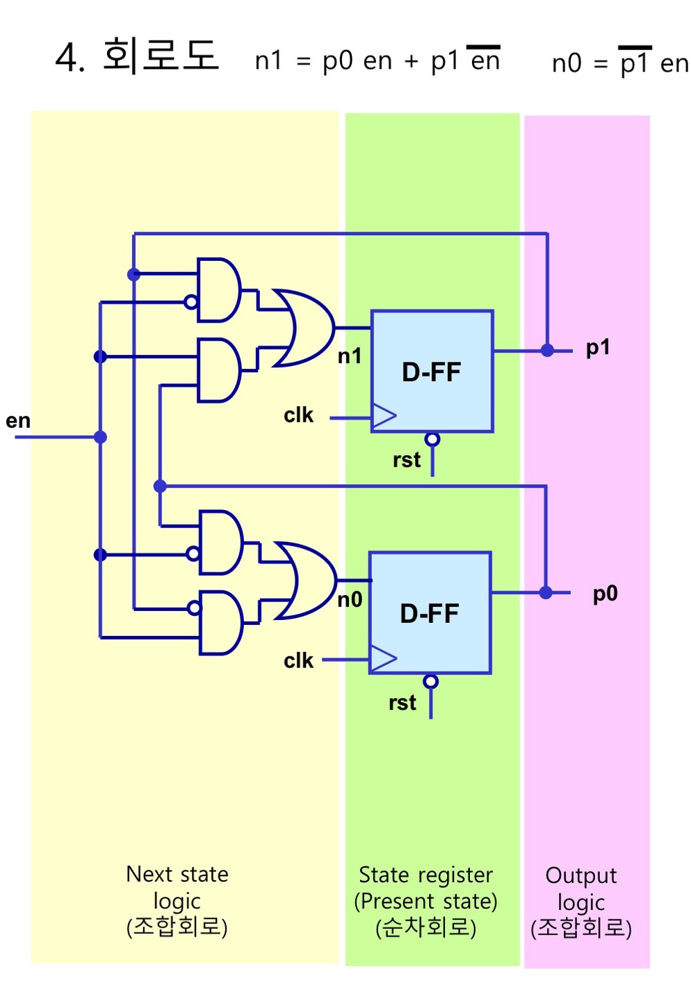
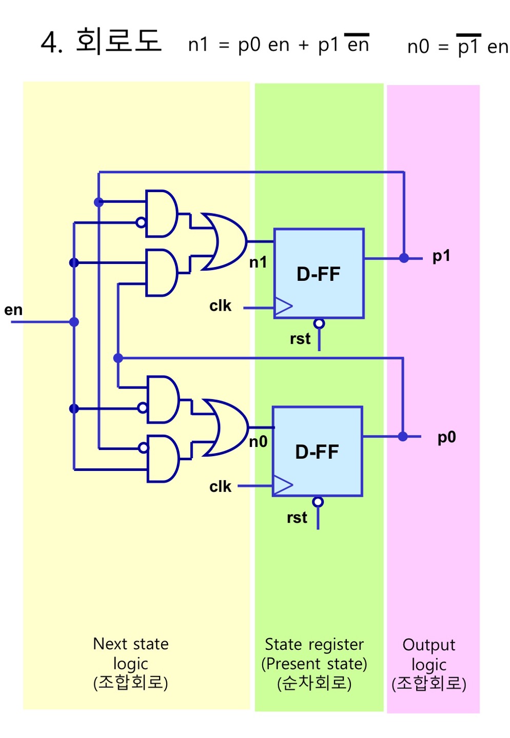
< 2비트 Gray 카운터 with enable >
- en =1일 경우에만 카운트하는 2비트 그레이 카운터





< TV의 채널 버튼 예제 >
- TV의 채널이 4개있다고 가정하자(0,1,2,3)
- 채널 UP버튼을 누를때마다 증가 , down누를때마다 감소
- UP과 DN을 누르지 않거나 동시에 누르면 채널은 변하지 않는다.

HDL를 사용한 디지털 설계에서는 실제로 JK F/F또는 T F/F를 사용하지 않고 D F/F를 사용한다.


< 주차장 차단기 예제 >
- 주차장에 3면의 공간이 있다.
- 입차시 enter =1
- 주차공간이 있을 경우 카운터 증가, 입차 차단기 열림 (ingate =1)
- 만차시 카운터 값 유지, 입차 차단기 열리지 않음 (ingate =0)
- 출차시 exit =1
- 카운터 감소, 출차 차단기 열림(outgate =1)
상황에 맞는 상태도를 그리는 것이 가장 주용하다.



'Computer Architecture > 논리회로' 카테고리의 다른 글
| [16] CH8 순차논리회로 < FSM+Counter 응용 설계 > (0) | 2022.01.09 |
|---|---|
| [15] CH8 순차논리회로 < 카운터 FSM 설계-3 > (0) | 2022.01.09 |
| [13] CH8 순차논리회로 < 카운터 FSM 설계 > (0) | 2022.01.09 |
| [12] CH8 순차논리회로 < 비동기-동기 카운터, FSM > (0) | 2022.01.09 |
| [11] CH8 순차논리회로 < 플립플롭(Filp-Flops) > (0) | 2022.01.08 |
@Return :: Return
포스팅이 좋았다면 "좋아요❤️" 또는 "구독👍🏻" 해주세요!