pn 접합
> pn 접합은 트랜지스터의 한 부분으로 동작한다.
지금가지 반도체에 불순물을 주입하면 자유전자-정공이 생성되고 전기장-농도 변화는 이러한 전하 캐리어들을 이동 시킬 수 있었습니다. 만약 n형과 p형 불순물을 반도체 조각의 이웃한 두 영역에 주입하면 어떻게 될까요?

'pn접합' 구조는 반도체 소자에서 중요한 역할을 한다. p와 n영역은 각각 에노드 , 캐소드라 불립니다.
*pn접합의 성질과 전류/전압 특성
평형 상태의 pn접합 ( pn접합의 양끝이 열려있고 소자에 전압이 인가되지 않은 경우 )
> n와 p영역의 사이로 경계를 보면 접합의 기점으로 전자와 정공의 농도변화의 날카로움은 두 종류의 큰 확산 전류를 발생시킵니다.

자유전자가 양쪽으로 이동하여 농도가 같게 되었을때, 확산 전류는 멈춥니다. 그림과 같이 n영역에서 전자가 다 떠나고 양이온만 남았다면 , 즉 t=0에서 접합이 갑자기 생성되고 시간이 흐를 수록 더 많은 이온이 확산전류에 기여합니다. 마지막으로 접합의 인접부위에 잔유전자는 없어져 '공핍영역'이 형성됩니다.

전하를 가지고 있는 입자 주위에 전기장을 형성한다고 가정하면 , 공핍영역 형성으로 그림과 같은 전기장이 형성된다.
전기장은 양전하가 왼쪽에서 오른쪽으로 이동하도록 형성되고, 농도 변화는 정공을 오른쪽에서 왼쪽으로 이동하도록 합니다.
전기장이 확산 전류를 멈추게 할 만큼 충분히 강할때 , 접합은 평형상태에 도달. 즉, 전기장에 의한 드리프트 전류가 기울기에 의한 확산 전류를 상쇄시킵니다.

Ex) x함수로 전기장을 그려보면 다음과 같습니다.

x > -b에서 양의 도너 이온이 전기장을 일으킵니다. 즉 , 전기장의 크기는 x=0이 될때까지 증가하며 x=0을 지날때 음의 억셉터 원자가 음의 전기장을 일으키고 전기장은 점점 감소하여 0이 됩니다.
평형 상태의 드리프트와 확산 전류에 대해 다음과 같이 생각할 수 있지만,

만약 n쪽에서 p쪽으로 흐르는 전자수의 수가 p쪽에서 n쪽으로 흐르는 정공의 수와 같다면 전자는 p쪽에 정공은 n쪽에 축적되어 양변이 0이 된다. 즉 , 각각의 캐리어에 대해 평형 조건을 만들어야 한다.

* 내장 전위
> 공핍영역에서 전기장의 존재는 접합이 내장전위를 일으키는 것을 알 수 있다.
전기장 E = -dv/dx이므로 위 식을 이용하면 다음과 같다

예제를 참고하면

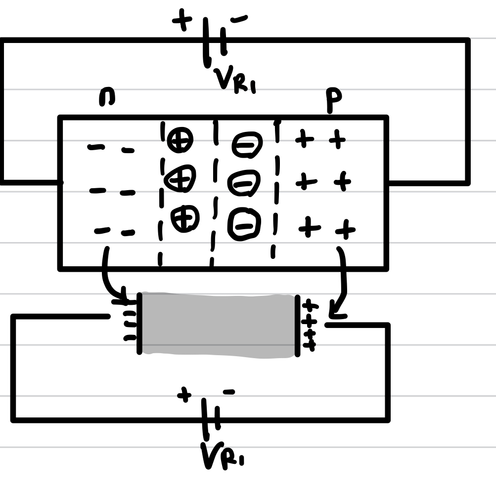
- 역방향 바이어스에서의 pn접합
여기서 바이어스란 '원하는 조건에서 동작하는' 의미의 동사라 생각하면 됩니다.

그리과 같이 소자에 전압이 가해졌다면 , 여기선 전압은 p영역에 비해 n영역이 보다 양의 값을 가지고 있습니다.
" n단자에 양의 전압이 가해졌다 해서 '역방향 바이어스'에 있다고 합니다. "
평형 상태에서 전기장 E는 n > p로 향하고 있으므로 VR은 전기장을 증가시킵니다. 그러나 강한 전기장은 보다 많은 수의 고정전하(억셉터-도너이온)이 보충되는 것을 의미하여 공핍영역이 확장되는것을 의미합니다. 즉 , 전류의 흐름이 거의 없습니다.
VR이 증가할때 양전하는 n영역에, 음전하는 p영역에 더 많이 쌓인다. >> 소자는 캐패시터로 동작합니다. 또한 공핍영역의 전하는 양면에 동일하게 존재합니다.

캐패시턴스는 두 평면이 멀어질수록 감소한다는것을 나타내고, 접합은 전압 종속인 커패시턴스라는 것을 보여줍니다.
즉 전압이증가하면 C감소.
인가 전압에 따른 커패시턴스의 변화는 Q=CV를 만족 시키지 않기 때문에 소자를 '비선형적'인 커패시터
요약
> 역방향 바이어스에서 pn접합은 거의 전류를 흘리지 않고 전압 종속 커패시턴스를 발생시키다.
- 순방향 바이어스에서의 pn접합
p영역의 전압이 n영역에서의 전압보다 클때 , pn접합 전류가 흐른다는 사실을 보여줍니다. 평형상태와 역방향 바이어스에서 소자를 공부한 바에 의하면 , 공핍영역에서 발생한 내장전위(전위 장벽)은 소자의 전도성을 결정합니다. 순방향 바이어스에서 외부전압 VF는 p영역에서 n영역으로 전기장을 생성합니다. 즉 , VF는 전기장을 약화시켜 전위장벽을 낮추어 보다 큰 확산 전류를 발생시키는 것입니다.

*순방향 바이어스에서 전류/전압 특성 식을 유도

달리 표현하면 P영역의 소수 캐리어 농도는 순방향 바이어스에서 급격히 증가하고, 다수 캐리어 농도는 일정하게 유지됩니다.(n영역도 동일하게 적용) n영역에서의 정공변화 , p영역에서의 전자변화를 살펴보면

소수 캐리어농도 증가는 확산 전류가 평형 상태 이상의 값에 비례하는 양 만큼 증가하는 것을 나타냅니다.

소수 캐리어 농도는 x축에 따라 일정한가 ?

a의 그림에서 전자가 n영역에서 p영역으로 계속 이동하나 x=x2를 넘어서는 그러한 경향이 없는데 경사도가 0이기 때문. 정공도 비슷한데 전하 캐리어는 p영역에서 n영역으로 깊이 이동하지 않아 형성된 전류는 없다. 즉 , 소수 캐리어 녿오는 b와 같이 변화하여 확산이 일어난다.
소수캐리어의 농도가 x축에 따라 감소되면 , 캐리어에 어떤 변화가 일어나는가? 전류는 x축에 따라 어떻게 일정하게 유지된는가?
> 전자가 p영역에 들어와 경사도가 감소할때 , 전자는 점진적으로 p영역에 충분히 존재하는 정공과 재결합한다. 마찬가지로 n영역에 들어온 정공은 전자와 재결합한다. 즉 , 공핍여역의 접근영역에서는 전류가 주로 소수 캐리어로 구성되어 있고 멀리 떨어진 영역에서는 주로 다수 캐리어로 구성된다. 이 두성분의합이 I total 이다
전류 / 전압 특성
> 순방향 바이어스에서 외부전압은 내장전위에 반대로 적용하여 공핍영역이 줄어들어 확산전류를 증가시키고, 역방향 바이어스에서는 인가 전압이 전기장을 증가시키고 전류의 흐름을 방해한다.


'Circuit > 전자회로' 카테고리의 다른 글
| 6) 다이오드 모델과 회로4 [라자비 전자회로] (0) | 2021.09.29 |
|---|---|
| 5) 다이오드 모델과 회로 3[라자비 전자회로] (0) | 2021.09.29 |
| 4) 다이오드 모델과 회로2 [라자비 전자회로] (0) | 2021.09.29 |
| 3) 다이오드 모델과 회로 [라자비 전자회로] (0) | 2021.09.28 |
| 1) 기초 반도체 물리1 [ 라자비 전자회로 ] (0) | 2021.09.19 |
포스팅이 좋았다면 "좋아요❤️" 또는 "구독👍🏻" 해주세요!